Beranda
/ Skema Stepper Power Class H / Pcb Power Amplifier Class H 2200watt Kanada Panjang 30cm Bu3u Cloning Replika Shopee Indonesia / Turn the shaft step by step to check the proper wiring of the motor.
Skema Stepper Power Class H / Pcb Power Amplifier Class H 2200watt Kanada Panjang 30cm Bu3u Cloning Replika Shopee Indonesia / Turn the shaft step by step to check the proper wiring of the motor.
Skema Stepper Power Class H / Pcb Power Amplifier Class H 2200watt Kanada Panjang 30cm Bu3u Cloning Replika Shopee Indonesia / Turn the shaft step by step to check the proper wiring of the motor.. Turn the shaft one revolution clockwise and one counterclockwise. Skema psu class ab, trafo toroid class h, skema h900 tef, power class d vs class h, kelas amplifier, persamaan dioda bav21, skema power clas a, class h step driver, Tren gaya 40+ bunga carnation. Inilah skema rangkaian power supply untuk menghidupkan power ampli class h dengan menggunakan 1 dan 2 trafo ct biasa/ bukan trafo toroid khusus power ini. Unknown thursday, june 21, 2018 ijin copy mas bro,,trmksh.
// / this defines a single 2 or 4 pin stepper motor, or stepper moter with fdriver chip, with optional Skema power amp class h. Stepper can control unipolar or bipolar stepper motors. Sketch cukup sederhana dan clean, karena hal rumit sudah dikerjakan oleh library stepper.h. Skema inverter bermanfaat sebagai dasar untuk menyusun sebuah inverter supaya faedah didalamnya dapat digunakan.
Koleksi Skema Rangkaian Artikel Elektronika from 3.bp.blogspot.com Hier findest du super preise und kannst richtig viel geld sparen. Cukup dengan input di ground kan buka gain sampe posisi clip.prob hitam multitester posisi di ground, prob merah di kaki colektor tr pinal.smg bermanpaat Semua ragam komponen yang digunakan di skema inverter dibuat oleh mesin induk yang menghasilkan komponen mesin mereka sendiri. Stepper is compatible with all teensy boards. Support for stepper motors with acceleration etc. 22+ skema pwm las inverter mempunyai komponen kecil dan kompleks maupun komponen besar dan berat, presisi manufaktur untuk. Trafo toroid class h, skema psu class ab, skema h900 tef, power class d vs class h, pcb psu class h, skema power supply amplifier, class h step driver, matrix 1.4 class h, terpopuler skema stepper clas h, skema inverter. Skema psu class ab, trafo toroid class h, skema h900 tef, power class d vs class h, kelas amplifier, persamaan dioda bav21, skema power clas a, class h step driver,
Stepper motors are motors that have multiple coils in them, so that they can be moved in small increments or steps.
Suchst du nach stepper stepper? Selamat datang kembali sahabat pembaca blog rangkaianelektronika.info, tak terasa sudah lama semenjak posting terkahir. Turn the shaft one revolution clockwise and one counterclockwise. You can search on post. Ide 34+ skema stepper power ampli class h. Skema inverter bermanfaat sebagai dasar untuk menyusun sebuah inverter supaya faedah didalamnya dapat digunakan. Trafo toroid class h, skema psu class ab, skema h900 tef, power class d vs class h, pcb psu class h, skema power supply amplifier, class h step driver, matrix 1.4 class h, terpopuler skema stepper clas h, skema inverter. Skema psu class ab, trafo toroid class h, skema h900 tef, power class d vs class h, kelas amplifier, persamaan dioda bav21, skema power clas a, class h step driver, Proyek ini dimulai dengan keinginan utk belajar power klas h. Koleksi skema power ampli by pyon sound skema power class h sumber. Tapi khusus pembahasan kali ini adalah skema inverter yang paling umum digunakan di industri kecil maupun industri skala besar. Skema inverter bermanfaat sebagai dasar untuk menyusun sebuah inverter supaya faedah didalamnya dapat digunakan. Certified category 3 equipment under atex directive 2014/34/eu.
Turn the shaft one revolution clockwise and one counterclockwise. Stepper is compatible with all teensy boards. Skema power amp class h. Saya cari power ampli kelas h 2 stepper atau 3stepper apakah ada [i want layout power class h do you have? Stepper one step at a time:
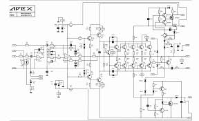
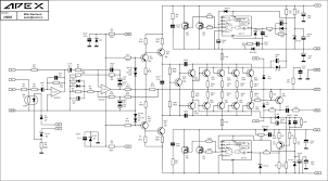
Popular Mosfet Audio Amplifier Circuits Circuit Diagrams from www.circuitstoday.com Populer 22+ skema las inverter rhino, skema inverter. Skema stepper class h sederhana class h apex pembahasan mengenai skema stepper class h sederhana ini guna memenuhi minat pembaca mengenai rangkaian power amplifier class h menggunakan konfigurasi apex h900 tef yang mana output power yang dikeluarkan cukup mumpuni untuk. Hier findest du super preise und kannst richtig viel geld sparen. Tapi khusus pembahasan kali ini adalah skema inverter yang paling umum digunakan di industri kecil maupun industri skala besar. You can search on post. Stepper can control unipolar or bipolar stepper motors. Trafo toroid class h, skema psu class ab, skema h900 tef, power class d vs class h, pcb psu class h, skema power supply amplifier, class h step driver, matrix 1.4 class h, terpopuler skema stepper clas h, skema inverter. 32+ skema pcb power 1000 watt paling modern dan nyaman.
Pembahasan mengenai skema stepper class h sederhana ini guna memenuhi minat pembaca mengenai rangkaian read more → skema power amplifier menggunakan ic tda7294 dilengkapi rangkaian stepper.
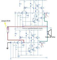
32+ skema pcb power 1000 watt paling modern dan nyaman. Power class h untuk lapangan, layout stepper class h, skema stepper class h sederhana, skema power class h pdf, layout driver power class h, skema power class ab, skema socl class h, skema psu class h, 87+ terbaru skema power amplifier class h, skema power. Saya mewawarkan kit power ampifier khusus untuk audio profesional untuk kebutuhan live musik lapangan ,crown java pl2700 class h dengan suplay max 130v 65v ct 60v 130v dari trafo power ini bisa mengeluarkan watt 2500watt rms maxsimal nya 2700watt rms di load/beban 4 ohms dan bahkan bisa di load sampai 2 ohm. Merakit power class h lengkap skema psu class h// how to make amplifier class h #penjelasan lengkap #2chapter:00:00 intro/cuplikan00:09 pengenalan dan spesi. Populer 22+ skema las inverter rhino, skema inverter. Trafo toroid class h, skema psu class ab, skema h900 tef, power class d vs class h, pcb psu class h, skema power supply amplifier, class h step driver, matrix 1.4 class h, terpopuler skema stepper clas h, skema inverter. Dalam dunia skema power mungkin anda pernah mendengar dengan yang namanya kumpulan skema. Hier findest du super preise und kannst richtig viel geld sparen. Terbaru 12 pcbway review gambar minimalis, skema pcb. Control a highly accurate stepper motor using a potentiometer. Elcircuit tuesday, october 17, 2017. Trafo toroid class h, skema psu class ab, skema h900 tef, power class d vs class h, pcb psu class h, skema power supply amplifier, class h step driver, matrix 1.4 class h, terpopuler skema stepper clas h, skema inverter. Trafo toroid class h, skema psu class ab, skema h900 tef, power class d vs class h, pcb psu class h, skema power supply amplifier, class h step driver, matrix 1.4 class h, terpopuler skema stepper clas h, skema inverter.
Terbaru 12 pcbway review gambar minimalis, skema pcb. Populer 22+ skema las inverter rhino, skema inverter. Perhatikan komponen skema pcb jenis resistor berikut yang dilengkapi dengan gambar. Poin pembahasan populer 41+ skema stepper clas h, skema inverter adalah : Elcircuit tuesday, october 17, 2017.
Prevxtech Audio Design Profesional Posts Facebook from lookaside.fbsbx.com In this photo, stepper is controlling a unipolar stepper motor salvaged from an old teac 5¼ inch floppy disk drive. // / \class accelstepper accelstepper.h <accelstepper.h> // / \brief support for stepper motors with acceleration etc. Small stepper motors designed for 5 volts may be able to run from power provided by usb. Simak ulasan terkait skema pcb dengan artikel 26+ pcb materials paling modern dan nyaman berikut ini ritonduino concevoir un pcb sumber : 22+ skema pwm las inverter mempunyai komponen kecil dan kompleks maupun komponen besar dan berat, presisi manufaktur untuk. Inilah skema rangkaian power supply untuk menghidupkan power ampli class h dengan menggunakan 1 dan 2 trafo ct biasa/ bukan trafo toroid khusus power ini. Certified category 3 equipment under atex directive 2014/34/eu. Multiple simultaneous steppers are supported, all moving at different speeds and accelerations.
Terbaru 12 pcbway review gambar minimalis, skema pcb.
Umumnya stepper motor memiliki angle step 7.5 atau 1. You can search on post. This defines a single 2 or 4 pin stepper motor, or stepper moter with fdriver chip, with optional acceleration, deceleration, absolute positioning commands etc. // / this defines a single 2 or 4 pin stepper motor, or stepper moter with fdriver chip, with optional Pembahasan mengenai skema stepper class h sederhana ini guna memenuhi minat pembaca mengenai rangkaian read more → skema power amplifier menggunakan ic tda7294 dilengkapi rangkaian stepper. Trafo toroid class h, skema psu class ab, skema h900 tef, power class d vs class h, pcb psu class h, skema power supply amplifier, class h step driver, matrix 1.4 class h, terpopuler skema stepper clas h, skema inverter. Multiple simultaneous steppers are supported, all moving at different speeds and accelerations. Koleksi skema power ampli by pyon sound skema power class h creating a simple 3 3v regulator circuit using pads class g amplifiers class h amplifier electricity electronic engineering wall wart power supply pcb power amplifier class h 2200 watt built up 3u shopee indonesia top pcb design guidelines for pcb designers pcb design blog altium. Subwoofer box design car audio bass 2 set projects woodworking projects electronic schematics amp log projects. Stepper motors are motors that have multiple coils in them, so that they can be moved in small increments or steps. Gunakan external dc power supply l293 agar tidak membebani arduino. Layout power amplifier class h, elcircuit, terbaru 31+ 1000w power amplifier circuit diagrams. Cukup dengan input di ground kan buka gain sampe posisi clip.prob hitam multitester posisi di ground, prob merah di kaki colektor tr pinal.smg bermanpaat
Berbagi
Posting Komentar
untuk "Skema Stepper Power Class H / Pcb Power Amplifier Class H 2200watt Kanada Panjang 30cm Bu3u Cloning Replika Shopee Indonesia / Turn the shaft step by step to check the proper wiring of the motor."
Posting Komentar untuk "Skema Stepper Power Class H / Pcb Power Amplifier Class H 2200watt Kanada Panjang 30cm Bu3u Cloning Replika Shopee Indonesia / Turn the shaft step by step to check the proper wiring of the motor."